Vistas:385 Autor:Editor del sitio Hora de publicación: 2021-04-29 Origen:Sitio
Aplicación de la válvula de cartucho en el sistema hidráulico.
La válvula del cartucho es un término general para otro tipo de válvula de control hidráulico. El componente básico básico es una unidad de resistencia hidráulica de dos vías con un tipo de control hidráulico y un solo puerto de control instalado en la etapa principal del circuito de aceite (por lo que también se denomina válvula de cartucho de dos vías). Uno o varios componentes de plug-in se combinan de diferentes maneras y están equipados con etapas de control piloto correspondientes para formar varias unidades de función de control de la válvula de cartucho. Como una unidad de función de control de dirección, unidad de control de presión, unidad de control de flujo, unidad de función de control compuesto.
La válvula del cartucho tiene las siguientes características: una pequeña resistencia interna, adecuada para un gran trabajo de flujo; La mayoría de los puertos de la válvula están sellados con conos, por lo que la fuga es pequeña, y también es adecuada para medios de trabajo de baja viscosidad, tales como emulsiones, estructura simple, trabajo confiable y alto grado de estandarización; Para un gran flujo, alta presión, y sistemas hidráulicos más complejos, el tamaño y el peso pueden reducirse significativamente. Su estructura es la siguiente:
Se compone de tres partes: inserte el elemento, la cubierta de control y el bloque de canal. El elemento de inserción consiste en un núcleo de válvula, un manguito de válvula, un resorte y un sello; La placa de cubierta de control está equipada con elementos de nivel de control piloto correspondientes de acuerdo con las diferentes funciones de control de la válvula de cartucho; El bloque de canal es la base para insertar el elemento de inserción e instalar la placa de la cubierta de control, el cuerpo de la válvula es el cuerpo de conexión del circuito de aceite principal y el circuito de aceite de control. Entre ellos, A y B son los principales pasajes de aceite, y C es el pasaje de control de control. La presión y el área de actuación de los puertos A, B, C son PA, PB, PC y A1, A2, A3 respectivamente, A3 = A1 + A2, FS es la fuerza de resorte.
La Figura 2 es el diagrama esquemático hidráulico de la parte principal del cilindro del sistema hidráulico de la unidad de vulcanización de neumáticos sólidos (diagrama esquemático del sistema parcial, diagrama esquemático incompleto).
Se puede ver en la figura que este sistema está todo controlado por válvulas de cartucho, que requieren diferentes válvulas hidráulicas. De acuerdo con las características de la propia máquina y los principales parámetros técnicos: se requiere la velocidad ascendente del cilindro para alcanzar los 20 mm / s, la velocidad a la baja para alcanzar los 25 mm / s, el diámetro de diámetro / varilla de cilindro φ600mm / φ540mm, el caudal. Q = A * V se puede utilizar para obtener el cilindro de aceite en la cavidad del aceite. El caudal es 339L / min, y el caudal requerido es relativamente grande. Además, el sistema principal del motor tiene mayores requisitos para la sensibilidad al movimiento mecánico y el sistema hidráulico tiene requisitos estrictos sobre el sellado. Por lo tanto, la válvula del cartucho se selecciona como el elemento de control del circuito de aceite debido a una consideración integral.
Válvula de cartucho de dos vías constituye varias válvulas de combinación
1 válvula de cartucho constituye una válvula de control de presión
De acuerdo con el principio de funcionamiento de la válvula del cartucho, cuando se abre PAA1 + PBA2> PCA3 + FS, el carrete y los circuitos de aceite A y B están conectados. Como se muestra en la Figura 2, la válvula de cartucho C14, cuando la válvula solenoide YV9 está energizada, el puerto C de C14 está conectado directamente al tanque de aceite, y la presión del puerto C es cero. Se puede ver que los circuitos de aceite A y B están conectados. Cuando la presión del puerto de un puerto es mayor que la fuerza de resorte, el aceite de presión del sistema regresa al tanque de aceite, por lo que esta válvula de cartucho actúa como una válvula de alivio para controlar la presión del puerto de aceite del diámetro del cilindro.
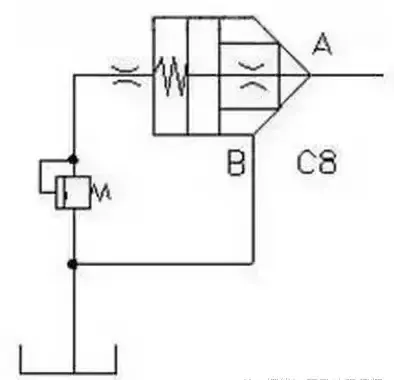
Mire el siguiente ejemplo, la válvula del cartucho en la Figura 3 se utiliza como una válvula de alivio.
El puerto B de la válvula de cartucho C8 está conectada directamente al tanque de aceite, y el puerto C está conectado a la válvula de desbordamiento. La presión de ambos es cero. Se puede ver que cuando la presión del puerto de un puerto es mayor que la fuerza de resorte, los circuitos de aceite A y B están conectados, y el aceite de presión pasa a través del puerto B regresa al tanque de aceite, en este momento, la válvula de cartucho actúa como Una válvula de desbordamiento para controlar la presión del sistema.
2 válvula de cartucho constituye control de dirección
Mirando la Figura 2 nuevamente, se puede ver desde el calendario de acción hidráulica que las válvulas solenoides YV7A y YV7B se activan al mismo tiempo para controlar el movimiento hacia arriba del cilindro principal. Cuando los dos se activan al mismo tiempo, el puerto C de la válvula de cartucho C11 y C13 está conectada al tanque de aceite, y cuando PA> FS, los puertos A y B están conectados directamente, y el aceite puede fluir de A a B; Cuando solo YV7B está energizado, el movimiento del cilindro principal. Entre ellos, el PA de C13 es menor que PB, se abre el núcleo de la válvula, y el aceite puede fluir desde B a A. En estos dos lugares, la válvula del cartucho funciona como una válvula de unidireccional.
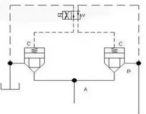
Mire otra imagen, Figura 4 Válvula de tres vías de dos posiciones.
Esta válvula de cartucho se utiliza como una válvula de dos vías de dos posiciones. Cuando la válvula solenoide de tres vías de dos posiciones se desactiva, se abre el carrete, y A y B están conectados; Cuando la válvula solenoide está energizada, el carrete está cerrado, y A y B están bloqueados.
3 válvula de cartucho constituye una válvula de control de flujo
Puede verse desde C14 en la Figura 2 que hay un dispositivo de límite de elevación de carrete en la cubierta superior de la válvula. Al ajustar la posición del dispositivo de límite, se puede ajustar el tamaño de la sección de flujo del puerto de la válvula, ajustando así el caudal. Al ajustar la velocidad de flujo, la velocidad hacia abajo del cilindro principal se puede ajustar. Esta válvula de cartucho sirve como una válvula de aceleración.
resumen
A través de combinaciones más complejas, se pueden lograr más funciones de válvulas hidráulicas. A través de la combinación, la válvula de cartucho se puede usar como una válvula de control de presión (válvula de secuencia, válvula reductora de presión), válvula de control de flujo (válvula de aceleración de una sola dirección, válvula de aceleración), válvula de control direccional (válvula de control de velocidad, control hidráulico Válvula de manera, dos válvulas de inversión de dos vías, etc.) y válvula compuesta.
En la actualidad, la válvula del cartucho tiene la siguiente serie: válvula de cartucho de la serie K, válvula de cartucho de la serie L, válvula de cartucho de la serie TJ, válvula de cartucho de la serie Z. Varios modelos de la serie son diferentes, y los fabricantes pueden diseñar y fabricar bloques de canales integrados de acuerdo con los requisitos del usuario. Las válvulas del cartucho son ampliamente utilizadas en sistemas hidráulicos de acuerdo con sus propias características.
No.359, Shunhua Road, área de alta tecnología,
Jinan 250000, China
(+86) -531-88902882 / (+86) -186-5310-9068
Copyright © 2020 ShanDong UNLE Import and Export Trade Co., Ltd. Todos los derechos reservados Soporte porsdzhidian
