Vistas:501 Autor:Editor del sitio Hora de publicación: 2021-05-17 Origen:Sitio
Electro-hidráulicos no separan a las familias. Aquellos que se involucran en hidráulicos pueden no ser necesariamente competentes en electricidad. ¡Aquellos que se involucran en electricidad deben entender hidráulicos! La maquinaria, ya sea hidráulica o eléctrica, debe dominar el conocimiento necesario, como máquinas de mecanizado, torneado, fresado y molienda, coincidencia de tolerancia, corte de láser plasmático, soldadura, etc. Pero hoy quiero explicar un poco de conocimiento de una válvula direccional electromagnética, que también es un problema encontrado durante un proyecto reciente.
Antes de compartir, primero debemos entender una cosa, ¿qué es una válvula direccional electrohidráulica?

En general, lo que vemos es el símbolo simplificado, es decir, el símbolo de la derecha. De hecho, ver (a) para los símbolos de la función detallada, por lo que el control interno, el control externo, las fugas internas y las fugas externas se pueden entender mejor de (a).
Se puede proporcionar el aceite de control X de la válvula de inversión electro-hidráulica del puerto P del circuito de aceite independiente (control interno), o se puede proporcionar una fuente de aceite independiente (control externo).
Para sistemas hidráulicos de alta presión (presión p alta presión), para evitar el impacto de inversión, el aceite de control X no se puede tomar desde el puerto P Independiente, y se debe configurar una fuente de aceite independiente con una presión más baja, es decir, un externo Se utiliza el tipo de control.
Cuando se utiliza el control externo, la velocidad de flujo de la fuente de aceite independiente no debe ser inferior al 15% del caudal máximo de la válvula principal para garantizar el requisito de tiempo de marcha atrás.
Para sistemas hidráulicos a baja presión (presión p baja P), el aceite de control X puede tomarse del puerto P del circuito de aceite autónomo, es decir, el tipo de control interno se adopta.
Cuando se usa el control interno, el principal circuito de aceite debe garantizar la presión de control mínima (0.3 ~ 0.5 mPA).
El retorno de aceite Y de la válvula solenoide se puede sacar por separado (fugas externas), o puede comunicarse con el puerto de retorno de aceite de la válvula principal t en el cuerpo de la válvula y volver a drenar al tanque de aceite (fugas internas).
Para los sistemas con alta presión en el puerto de retorno de la válvula principal T, para evitar que la presión posterior de T sea demasiado alta, la válvula piloto es demasiado alta, lo que hace que la principal resistencia de reversión de la válvula sea demasiado grande. El aceite de retorno Y debe separarse de T y volver al tanque por separado. , Es decir, utilizando el estilo de fugas.
Para los sistemas con baja presión en el puerto de retorno de aceite T, el retorno de aceite y se puede comunicar con T, utilizando un tipo de drenaje interno.
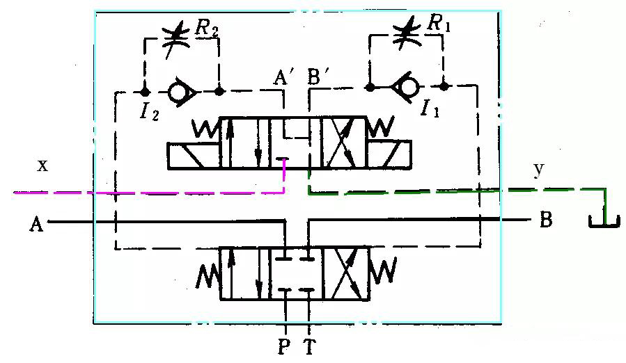
La siguiente figura muestra el circuito de aceite de la válvula direccional electro-hidráulica controlada externamente. Este tipo de válvula se usa en el sistema de alta presión y la presión del circuito de aceite de retorno principal (presión posterior) es alta.

La siguiente figura muestra el circuito de aceite de la válvula direccional electrohidráulica controlada interna y drenada internamente. Este tipo de válvula se usa en un sistema de baja presión y la presión del circuito de aceite de retorno principal (presión posterior) es baja.

La siguiente figura muestra el circuito de aceite de la válvula direccional electro-hidráulica electrodidráulica controlada interna y externamente, que es adecuada para sistemas de baja presión y ocasiones en las que la presión del circuito de aceite de retorno principal (presión posterior) es alta.

La siguiente figura muestra el circuito de aceite de la válvula direccional electro-hidráulica controlada externamente y que se drena internamente, que es adecuada para sistemas de alta presión y ocasiones en las que la presión del circuito de aceite de retorno principal (presión posterior) es alta.

Para los diseñadores de I + D, algunos conocimientos que deben dominar también serán de gran ayuda en los futuros diseños.
No.359, Shunhua Road, área de alta tecnología,
Jinan 250000, China
(+86) -531-88902882 / (+86) -186-5310-9068
Copyright © 2020 ShanDong UNLE Import and Export Trade Co., Ltd. Todos los derechos reservados Soporte porsdzhidian
